
SP2698AF
is a high performance offline PSR power switch for low power AC/DC charger and adapter applications.
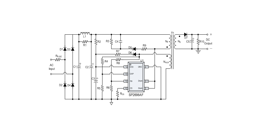
SP2698AF is a high performance offline PSR power switch for low power AC/DC charger and adapter applications. It operates in primary-side sensing and regulation. Thus, opto-coupler and TL431 are not required. In CC control, the output current and power setting can be adjusted externally by the sense resistor RCS at CS PIN. In CV control, multi-mode operations are utilized to achieve high performance and high efficiency. In addition, good load regulation is achieved by the built-in cable drop compensation. SP2698AF operates in PFM in CC mode, and it operates in PWM+PFM in CV mode with frequency reduction at light/medium load. The chip consumes very low operation current. It achieves less than 75mW standby power to meet all global energy efficiency regulations.
SP2698AF offers comprehensive protection coverage with auto-recovery feature including Cycle-by-Cycle current limiting, VDD over voltage protection (OVP), FB over voltage protection, load short circuit protection, VDD under voltage lockout (UVLO), Output OVP, Output UVP, OTP etc.
SP2698AF is offered in SOP7 packages.
● Less than 75mW standby power consumption at 230VAC with typical application circuit
● Integrated 650V MOSFET
● Less than ±5% constant voltage and current regulation at universal AC input
● Primary-side sensing and regulation without TL431 and opto-coupler
● Adjustable constant current and output power setting
● Compensates for input line voltage variations
● Eliminates all control loop compensation circuitry
● Start-up and static current as low as 5uA and 600uA.
● Built-in Leading Edge Blanking(LEB)
● Programmable cable voltage drop compensation
● Multi-mode PWM and PFM operation for efficiency improving and audio noise free operation
● SOP7 Package
● Small Power Adapter
● Cell Phone Charger
● Digital Cameras Charger
● Linear Regulator/RCC Replacement